Для чего нужны и как устроены датчики контроля тяги в газовых котлах
Современные газовые установки обычно работают полностью автоматизировано. За счет встроенных в конструкции деталей контроля безопасности функционирования оборудования, обеспечивается надежность системы. Один из таких элементов — это датчик тяги газового котла. Стоит разобраться в механизме его работы, особенностях.
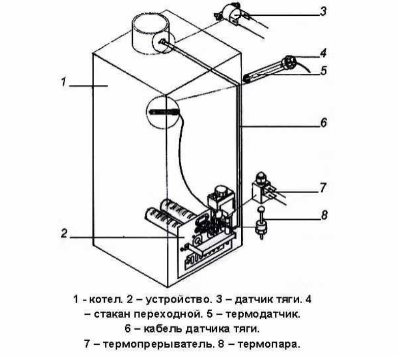
Датчик тяги в газовом котле: что такое, зачем нужен
Это внутренний элемент защиты, ответственный за быструю передачу сигнала о понижении интенсивности тяги в дымоуловителе. Главная опция заключается в создании безопасности во время эксплуатации газового котла, поскольку вывод переработанных продуктов сгорания, в первую очередь, зависит от воздухообмена.
Важно! При отсутствии нормальной тяги, дым накапливается в помещении, оказывает негативное воздействие на человеческий организм.
Еще приспособление определяет полноту сгорания горючего, поэтому датчик необходим и для сохранения стабильной работы самого агрегата.

Рис2 Принцип работы понять не сложно
Чтобы безопасно пользоваться газовым котлом , необходимо установить в него специальный датчик, отслеживающий тягу. Обычно местом для монтажа выступает дымовой колпак или участок корпуса около вентиляционного канала.
Приборы не устанавливаются производителем непосредственно в газоход, либо отделяется от него специальным термоизоляционным материалом. Такой вид монтажа исключает перегрев детали из-за прямого взаимодействия с нагретой поверхностью.
Принцип действия датчиков контроля тяги в газовых котлах
Как работает датчик тяги в газовом котле? Основной принцип функционирования заключается в замыкании и размыкании контактов. Агрегат работает по законам физики, контролируя температуру сгоревшей топливной жидкости.

Рис3 Как выглядит простое устройство
Когда температурный показатель смещается в неприемлемую зону, датчик передает соответствующий сигнал в электронный блок управления газовым котлом. Тип приспособления напрямую зависит от вида и конструкции, в которой оно установлено.
Как и дымоход, устройство нужно периодически осматривать, чистить.
Суть работы приспособления в котле АОГВ и АКГВ кроется в своевременной подаче сигнала клапану, перекрывающему подачу газа к горелке. Конструкция колонки предполагает подсоединение к дымоходу, через который и осуществляется вывод вредных веществ за пределы помещения.
Чтобы обеспечить качественный отвод, вентиляционная шахта должна быть с безупречной тягой. Иногда случается какое-либо нарушение, к примеру, дымоход забивается мусором, сажей.
Если котел будет продолжать упорно сжигать горючее, продукты горения попадут в помещение. Чтобы не допустить этого, в конструкцию газового котла включен датчик тяги дымоуловителя.
Важно! Приспособление стоит в месте между вентиляционным каналом и корпусом оборудования.
Разновидности котлов и нюансы использования датчиков
Существует несколько видов приспособлений, которые ставятся в газовый котел. Они бывают открытого и закрытого типа сгорания.
Атмосферный котел
Разновидность выполнена в виде термореле, внутри которого располагается биметаллическая пластина. Деталь реагирует на перепады температуры, настраивается в диапазоне 75-900 градусов для природного и на 75-1500 градусов для сжиженного газа.
Когда тяга в дымоходе становится слабее, концентрация дыма природного газа увеличивается. Вследствие этого, растет температура. Когда пластина прогреется достаточно, она расширится и разорвет контакты.
Рис4 На примере котла Protherm Пантера
Большинство атмосферных котлов с открытой камерой сгорания оснащены датчиком тяги, который выступает предохранительным термостатом, ответственным за контроль температуры дыма. Даже при оперативном устранении причины неполадки, работу удастся возобновить только после полного остывания устройства.
Турбированный котел
Это закрытая камера сгорания, представляющая собой пневмореле. Мембрана оснащена повышенной чувствительностью к давлению, прогибается под воздействием потока, создающегося турбиной или вентилятором. Степень натяжения регулируется производителем, фиксирует контакты в замкнутом положении.
Когда уровень нагнетания давления понижается ниже нормы, контакты микропереключателя размыкаются. Конденсационным котлам подходят специальные датчики тяги, которые настраивают на более низкую температуру дымов, в отличие от стандартных моделей.
Важно! Датчик тяги выступает барьером, который не допускает попадание ядовитого дыма и углекислого газа в помещение.
Приборы устанавливают в разные отопительные котлы, к примеру, «Очаг», «Навьен», «Лемакс», «Сиберия», «Будерус», «Данко», «Bosch», «Baxi», «Конорд». Настенные варианты по типу «Бакси» наиболее востребованы на рынке.
Любой современный газовый котел невозможно представить без датчика тяги.

Рис5 Виды бывают разными
Как произвести правильную установку устройства
Иногда требуется замена напольного или навесного приспособления. Процесс монтажа вполне простой, достаточно зафиксировать регулятор в выбранном месте и присоединить его к газовой колонке.
Чтобы обеспечить правильное фиксирование, нужно расположить регулирующий элемент в соответствии с правилами:
- минимальная высота от поверхности до пола составляет 1,5 метра;
- максимальная высота от пола — 1,7 метров.
Любые обогревательные устройства, которые искажают температуру внутри газового прибора, должны располагаться на дистанции 1 метр. Нельзя допускать сквозняки, устанавливать котлы в холодном помещении, слишком плотно фиксировать датчик к корпусной части приспособления.
Монтаж осуществляют на паронитовые прокладки. Это способствует уменьшению нагрева агрегата через контакт с корпусом колонки и дает возможность добиться зазора между отверстием в зоне газохода и плоскости датчика.
Чтобы правильно установить приспособление, следуют пошаговому алгоритму действий:
- После фиксации прибора в выбранном месте, приступают к прокладыванию провода до источника тепла. Можно прибегать к открытому, либо скрытому методу. Один конец кабеля присоединяют к контактам, промаркированным СОМ или NO термостата. Беспроводные модели оснащены клеммами в зоне релейного блока.
- Снимают переднюю панель газового приспособления, поскольку она закрывает доступ к плате управления и разъемам. Перемычку между клеммами извлекают.
- Присоединяют провода от контактов регулятора к освобожденным клеммам. Необязательно соблюдать полярность.
Важно! Контакты термореле должны быть крепко зафиксированы на поверхности, недопустимо наличие следов окисления.
Способы проверки работоспособности датчика
Порой возникают ситуации, когда при нормальном функционировании системы дымоудаления, колонка отключается. Это случается из-за неисправности пневмореле с мембраной.
Проверка датчика газовой тяги происходит по такому алгоритму действий:
- В области размещения сенсора расположить зеркало.
- Через 20 минут, проверить, запотевает ли оно во время работы.
- Когда зеркало не запотело, приспособление функционирует исправно, в противном случае — речь идет о поломке.
Можно частично прикрыть дымоход заслонкой. Если агрегат работает полноценно, котел отключится. Еще проверяют работоспособность мультиметром. Проверить термопару в отопительном котле можно тестером для измерения напряжения.
Рис6 Проверить можно мультиметром
Распространенные причины срабатывания датчиков
При должном проведении монтажа, устройство не должно срабатывать без причины и подавать ложную тревогу. Иногда агрегат отключается из-за неисправностей датчика.
Виной срабатывания приспособлений выступает несколько причин:
- сильный ветряной порыв загнал противотоком внутрь дымохода много кислорода, тяга ушла в ноль;
- труба засорилась, например, птицы свили гнездо на верхушке;
- загрязнились контакты;
- произошел сбой в настройках системы безопасности;
- во время монтажа были нарушены правила.
Важно! Чтобы устройство исправно функционировало, необходимо периодически чистить его, надеть защитный колпак на конце дымохода, установить стабилизатор.
Можно ли отключить устройство
Когда речь идет о правильной эксплуатации обогревающего приспособления, нельзя даже предполагать отключение любых защитных датчиков. Это важный элемент, чье отсутствие чревато проблемами.
Если котел по непонятным причинам перестал работать, многие отключают датчик, чтобы запустить обогрев. Лучше это не делать, не проводить ремонт самостоятельно, а вызвать мастера. Отключенный датчик не сможет вовремя оповестить о более серьезной проблеме в газовом оборудовании. Это легко может привести к непоправимым последствиям.
- Комментарии


